Dock har denna aldrig färdigställts, alternativt blivit plundrad. Men jag gissar på det förstnämnda då det är flera komponenter som ser helt oanvända ut (dvs saknar lödtenn osv). Man kan ju undra vilket person öde som är orsak till att den aldrig blev klar...
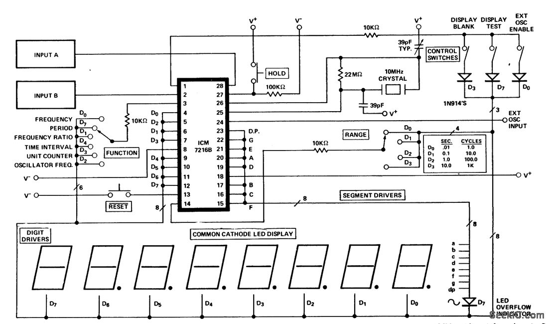
Ett ganska seriöst bygge (om man bortser från någon enstaka felstavning) och skulle tydligen vara uppbyggd kring en ICM7216B (10Mhz räknare med inbyggd multiplexad 8 siffrors displaydriver). Enligt papperet som låg i tog Elfa 216:- för kretsen.

Jag köpte den i tron att den var fungerande, så jag blev lite snopen när jag öppnade locket...
