Finn flest fel

Elektronikrelaterade (på komponentnivå) frågor och funderingar.
Användarvisningsbild
Gildebrand
Inlägg: 1108
Blev medlem: 8 maj 2009, 21:40:49
Ort: Falun

Finn flest fel

Inlägg av Gildebrand »

Tjena!
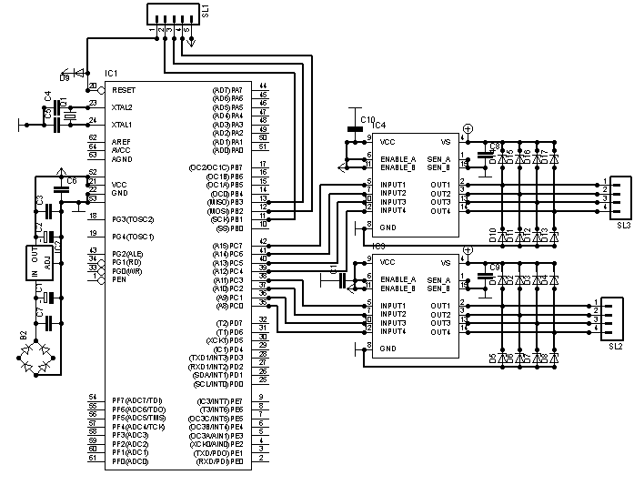
Har nu ritat mitt första kretskort och tänkte att ni kanske kunde hjälpa mig med vad som är fel. Det enda jag inte ritat ut är en SN75176B krets, då jag inte hittade denne i eagle. Tanken är att jag ska till och börja med kunna styra två stycken stegmotorer över DMX.

Bild
  • IC1 ATMEGA128
    IC2 7805 (fel krets på ritningen, ADJ ska vara GND)
    C1,C1 100uF
    C4,C5 22pF
    C3,C6,C8,C9,C10,C11 100nF
    C7 330nF
    Q1 8mhz (HC49)
Senast redigerad av Gildebrand 29 maj 2009, 20:54:26, redigerad totalt 3 gånger.
Borre
Inlägg: 4616
Blev medlem: 14 juni 2007, 15:43:50
Ort: Hälsingland

Re: Finn flest fel

Inlägg av Borre »

Ingen avkoppling (0.1uF) för VCC och VS på IC3/4.
Ingen 0.33uF före 7805 som databladet anger.
Användarvisningsbild
Schnegelwerfer
Inlägg: 1863
Blev medlem: 8 november 2004, 13:46:56

Re: Finn flest fel

Inlägg av Schnegelwerfer »

- Kondensatorerna till kristallen är kopplade till VCC istället för till jord.
- Ingen pullup-resistor på resetpinnen
thepirateboy
EF Sponsor
Inlägg: 2109
Blev medlem: 27 augusti 2005, 20:57:58
Ort: Borlänge

Re: Finn flest fel

Inlägg av thepirateboy »

Prog. kontakt felkopplad, MISO/MOSI ska in på pinne 2 o 3.
Koppla även in AVCC, se exempel http://olimex.com/dev/pdf/AVR/AVR-MT-128-SCH-REV-A.pdf

IC3 o IC4 behöver säkert ett gäng kondingar.
Användarvisningsbild
Swech
EF Sponsor
Inlägg: 4765
Blev medlem: 6 november 2006, 21:43:35
Ort: Munkedal, Sverige (Sweden)
Kontakt:

Re: Finn flest fel

Inlägg av Swech »

Du har gott om pinnar på din processor, jag hade kopplat enable och sense pinnarna från drivarna
till lediga pinnar på processorn. Alltid lättare om det visar sig behöva styras senare i projektet.

Swech
Användarvisningsbild
Gildebrand
Inlägg: 1108
Blev medlem: 8 maj 2009, 21:40:49
Ort: Falun

Re: Finn flest fel

Inlägg av Gildebrand »

Pull-up resistor på reset pinnen. Skulle du kunna utveckla det lite för en nybörjare?

Angående att jag bytt plats på MOSI och MISO; min LPT1 programmerare är byggd för att passa enligt den konfigurationen, så det får vara så.

Vad ska jag ha för resistor mellan AVCC och AVREF?
Användarvisningsbild
Gildebrand
Inlägg: 1108
Blev medlem: 8 maj 2009, 21:40:49
Ort: Falun

Re: Finn flest fel

Inlägg av Gildebrand »

Finns det några HD44780 displayer i Eagle? Jag kommer inte riktigt överrens med den värdelösa sökfunktionen.
thepirateboy
EF Sponsor
Inlägg: 2109
Blev medlem: 27 augusti 2005, 20:57:58
Ort: Borlänge

Re: Finn flest fel

Inlägg av thepirateboy »

Är du medveten om att ISP programmeras via pinne 2 och 3 på Atmegan (sid 300 i databladet) eller använder du nåt annat sätt?

Du kan sätta utesluta denna resistor om du inte tänker använda AD-omvandlaren, det är dock bra att
göra plats för en sådan OM du någon dag behöver ADC:n, isåfall kan du sätta dit 0 ohm om du villa ha VCC som referens.
Användarvisningsbild
Gildebrand
Inlägg: 1108
Blev medlem: 8 maj 2009, 21:40:49
Ort: Falun

Re: Finn flest fel

Inlägg av Gildebrand »

Va? Jag har iallafall programmerat en ATMega8515 på det sättet.
Användarvisningsbild
Gildebrand
Inlägg: 1108
Blev medlem: 8 maj 2009, 21:40:49
Ort: Falun

Re: Finn flest fel

Inlägg av Gildebrand »

Swech skrev:Du har gott om pinnar på din processor, jag hade kopplat enable och sense pinnarna från drivarna
till lediga pinnar på processorn. Alltid lättare om det visar sig behöva styras senare i projektet.

Swech
Har inte förstått riktigt vad de pinnarna gör.

Har uppdaterat ritningen nu efter era synpunkter.
Användarvisningsbild
Swech
EF Sponsor
Inlägg: 4765
Blev medlem: 6 november 2006, 21:43:35
Ort: Munkedal, Sverige (Sweden)
Kontakt:

Re: Finn flest fel

Inlägg av Swech »

ATMega128 är speciell.....
Har själv gått på den med MOSI MISO ... läs på om Mega128

Sen måste du kolla vad pinnarna på din drivkrets gör.. om du gör ett kort utan att veta vad pinnarna gör så
får du lätt problem

Swech
limpan4all
Inlägg: 8499
Blev medlem: 15 april 2006, 18:57:29
Ort: Typ Nyköping

Re: Finn flest fel

Inlägg av limpan4all »

Swech har helt rätt angående ISP pinnarna, de som används är 2, 3, 11 samt RESET- och GND. En egenhet som MEGA128 har. Missar du detta så är det DTK500/501 som gäller och smart självomprogramerande mjukvara som gäller. :D
Användarvisningsbild
Gildebrand
Inlägg: 1108
Blev medlem: 8 maj 2009, 21:40:49
Ort: Falun

Re: Finn flest fel

Inlägg av Gildebrand »

Hur ska man koppla ISPen då? finns det nån ritning där jag kan kolla? Vad använder jag för programmerare då?

Funderade lite på om det skulle gå att programmera den via USB med hjälp av FT232RL.
Användarvisningsbild
Swech
EF Sponsor
Inlägg: 4765
Blev medlem: 6 november 2006, 21:43:35
Ort: Munkedal, Sverige (Sweden)
Kontakt:

Re: Finn flest fel

Inlägg av Swech »

Du skall använda ISP precis som vanligt, det enda som skiljer är att du ansluter till andra pinnnar på just 128an
Kolla i databladet för 128 så finns en ISP anvisning.

Swech
Användarvisningsbild
Gildebrand
Inlägg: 1108
Blev medlem: 8 maj 2009, 21:40:49
Ort: Falun

Re: Finn flest fel

Inlägg av Gildebrand »

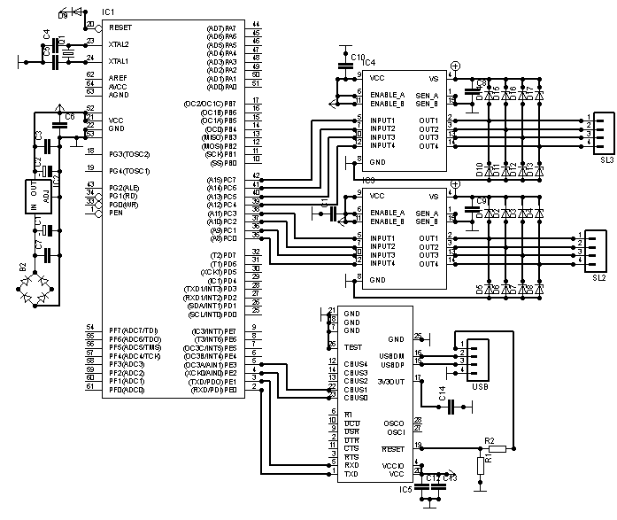
Nu har jag uppdaterat ritningen lite efter era synpunkter, samt lagt till en FT232RL för programmeringen. Vart lite osäker kring lite saker vid FT232 kretsen. Jag kollade på en annan ritning hur det var gjort där och kopplade därefter, en liten fundering, jag vill att kortet ska kunna vara igång, alltså matas via 9VAC, samtidigt som usb-porten är inkopplad. Borde ben 1 & 4 på usbporten hänga löst då? Ska också läsa på lite om ENABLE_A & B.

Bild
  • C3,C6,C8,C9,C10,C11C12,C13,C14 100nF
    C1,C2 100uF
    C4, C5 22pF
    C7 330nF
    R1 10kohm
    R2 4k7ohm
    Q1 8mhz hc49
    IC1 MEGA128
    IC2 7805
    IC3,IC4 L298
    IC5 FT232RL
Skriv svar