step/dir till +-10v eller 0-10v cw/ccw
step/dir till +-10v eller 0-10v cw/ccw
Finns det någon möilighet att förändra signalen step/dir till industri standarden +-10v eller 0-10v, har nämligen en servoförstarkare som förstår sig bara på dom signalerna. Vet att det finns styrkort för att styra spindehastiget med just step/dir mot frekvensriktare.
Men räker upplösningen när man använder den vid tex x,y,z axlar?
Finns det något färdigt eller byggbart kort för att köra EMC2 eller MACH3 direkt med 0-10v singnaler.
Men räker upplösningen när man använder den vid tex x,y,z axlar?
Finns det något färdigt eller byggbart kort för att köra EMC2 eller MACH3 direkt med 0-10v singnaler.
Re: step/dir till +-10v eller 0-10v cw/ccw
Du kan inte köra en servoförstärkare med en enkel omvandlare för "spindeldrift". Anledningen är att omvandlaren inte kör någon reglerloop utan bara lämnar en spänning proportionell mot frekvensen på steg-pulserna. Tills för ett tag sedan fanns det en produkt från Skyko som hette Pixie P-100 men den säljs inte längre. Rutex har ett kort, R2040 men jag vet inte så mycket om det och Rutex har rätt dåligt rykte vad gäller support etc. En annan möjlig men lite mer DIY lösning är ett servo-chip från JRKerr eller för den delen ett UHU-chip och sedan ett lågpass filter som omvandlar PWM-utgången från dessa chip till en analog spänning - borde fungera.
Re: step/dir till +-10v eller 0-10v cw/ccw
sedan ett lågpass filter som omvandlar PWM-utgången från dessa chip till en analog spänning - borde fungera.
Henrik, vet du om någon har provat den lösningen?
Henrik, vet du om någon har provat den lösningen?
Re: step/dir till +-10v eller 0-10v cw/ccw
servoförstärkaren har dock en encoder simulator output kanske de då går att köra mot EMC2 MACH3 closed loop?
Re: step/dir till +-10v eller 0-10v cw/ccw
Fräsen,
Nix, men det är vad som beskrivs i dokumentationen för JRKerr's servo-chip. Kan inte se varför det inte skulle fungera, encodern matar tillbaka till servo-chipet som kör PID-loopen (för position). Normalt sett driver dess utgång en H-brygga i "locked anti-phase PWM". Ett lågpassfilter (med lagom låg tidskontant naturligtvis) och eventuellt en OP eller två för att förstärka och "flytta" utsignalen från 0-5V till +/-10V eller vad man nu vill ha. Eftersom PWM-signalen inte moduleras ända ner till 0% eller ändå upp till 100% så borde utspänningen bli någorlunda linjär.
MIX,
Om inte förstärkaren har ingång för steg och riktning så kan du inte köra den med Mach3 'out of the box' men det finns lösningar för Mach3 (från Vital Systems t.ex) för att köra analoga servon med Mach3, kostar en del dock.
EMC2 är en annan historia (som jag är rätt dålig på) men där kan du koppla din encoder (eller simulerade encoder) till LPT-porten (eller dedikerat 'motion-control kort' från t.ex MESA Electronics) och få EMC2 att sluta positions-loopen. Men du måste fortfarande få ut en 0-10V signal (vilekt du kan få med korten från MESA). EMC2 kan generera PWM (kanske via LPT-porten, jag är inte säker) som du kanske kan mata din servo-förstärkare med.
Nix, men det är vad som beskrivs i dokumentationen för JRKerr's servo-chip. Kan inte se varför det inte skulle fungera, encodern matar tillbaka till servo-chipet som kör PID-loopen (för position). Normalt sett driver dess utgång en H-brygga i "locked anti-phase PWM". Ett lågpassfilter (med lagom låg tidskontant naturligtvis) och eventuellt en OP eller två för att förstärka och "flytta" utsignalen från 0-5V till +/-10V eller vad man nu vill ha. Eftersom PWM-signalen inte moduleras ända ner till 0% eller ändå upp till 100% så borde utspänningen bli någorlunda linjär.
MIX,
Om inte förstärkaren har ingång för steg och riktning så kan du inte köra den med Mach3 'out of the box' men det finns lösningar för Mach3 (från Vital Systems t.ex) för att köra analoga servon med Mach3, kostar en del dock.
EMC2 är en annan historia (som jag är rätt dålig på) men där kan du koppla din encoder (eller simulerade encoder) till LPT-porten (eller dedikerat 'motion-control kort' från t.ex MESA Electronics) och få EMC2 att sluta positions-loopen. Men du måste fortfarande få ut en 0-10V signal (vilekt du kan få med korten från MESA). EMC2 kan generera PWM (kanske via LPT-porten, jag är inte säker) som du kanske kan mata din servo-förstärkare med.
Re: step/dir till +-10v eller 0-10v cw/ccw
Jag tro inte det borde bli något problem om du kör Emc som tar hand om givaren och sen PWM utsignalen till servoförstärkaren.
Du kan omvandla PWM till Analog väldigt enkelt! Denna kretsen har jag på min fräs motor.
Den är 98% linjär emot PWM signalen och lämnar en fin analog signal även vid snabba förändringar.
http://2.bp.blogspot.com/_tMtO23Q5vm4/R ... Analog.jpg
Har kollat den med oscilloskop. Kan posta lite bilder om du vill.
Problemet kanske är att få Emc att skicka PWM istället för att skicka Step&Dir signaler. Borde gå att lösa.....
Du kan omvandla PWM till Analog väldigt enkelt! Denna kretsen har jag på min fräs motor.
Den är 98% linjär emot PWM signalen och lämnar en fin analog signal även vid snabba förändringar.
http://2.bp.blogspot.com/_tMtO23Q5vm4/R ... Analog.jpg
Har kollat den med oscilloskop. Kan posta lite bilder om du vill.
Problemet kanske är att få Emc att skicka PWM istället för att skicka Step&Dir signaler. Borde gå att lösa.....
Re: step/dir till +-10v eller 0-10v cw/ccw
Henrik: Ett lågpassfilter (med lagom låg tidskontant naturligtvis)
Vad är lagom då med tanke på den även måste vara snabb i förändringarna... på tex UHU,s pwm ut.
Morgons: Din länk verkar inte fungera för mig.
Vad är lagom då med tanke på den även måste vara snabb i förändringarna... på tex UHU,s pwm ut.
Morgons: Din länk verkar inte fungera för mig.
Re: step/dir till +-10v eller 0-10v cw/ccw
Det hänger så klart ihop med "trögheten" och tuningen av resten av systemets så lite kanske man får prova sig fram. På UHU chipet är PWM frekvensen 20kHz och på JRKerr's PIC-Servo är den 19,5kHz så kretsen från JRKerr borde fungera i båda fallen:

Microchip har även en application note på ämnet. Jag har som sagt inte labbat med detta själv men det borde fungera.

Microchip har även en application note på ämnet. Jag har som sagt inte labbat med detta själv men det borde fungera.
Re: step/dir till +-10v eller 0-10v cw/ccw
Morgons skrev:Jag tro inte det borde bli något problem om du kör Emc som tar hand om givaren och sen PWM utsignalen till servoförstärkaren.
Du kan omvandla PWM till Analog väldigt enkelt! Denna kretsen har jag på min fräs motor.
Den är 98% linjär emot PWM signalen och lämnar en fin analog signal även vid snabba förändringar.
http://2.bp.blogspot.com/_tMtO23Q5vm4/R ... Analog.jpg
Har kollat den med oscilloskop. Kan posta lite bilder om du vill.
Problemet kanske är att få Emc att skicka PWM istället för att skicka Step&Dir signaler. Borde gå att lösa.....
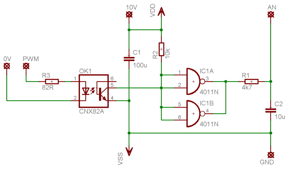
OK, nu drar jag upp en gammal tråd. Jag håller på med ett litet projekt, och googlade lite PWM -> 0-10V och hittade denna post. Kan någon snabbt förklara den här kretsen i citatet? Jag är inte speciellt duktig på sånt här och blir mest förvirrad. Jag borde nog koppla upp den eller simulera för att kunna få en djupare förståelse, och det kommer jag antagligen att göra också.
Re: step/dir till +-10v eller 0-10v cw/ccw
När PWM signalen är hög (dioden i OK1 lyser) drar transistorns kollektor mot VSS vilket ger LÅG signal på NAND-grindarnas ingångar, vilka då ger HÖG signal ut. Kondensatorn laddas "sakta" via R1. När PWM signalen går låg slutar transistorn i OK1 att leda och ingångarna på NAND-gindarna dras upp till VDD vi R2, dess utgångar går låga och kondingen laddas ur "långsamt" genom R1 - och så håller det på. R1/C2 bilder ett lågpassfilter dom "jämnar ut" spänningen så om PWM-signalen har 50% dutycycle blir spänningen över kondensatorn 50% av VDD dvs, 5V i det här fallet.
Re: step/dir till +-10v eller 0-10v cw/ccw
Det var mest just Nand-grindarna jag funderade över. Skall kolla din beskrivning och kretsen för förståelse. Tack!
Re: step/dir till +-10v eller 0-10v cw/ccw
Dom är där för att få en symetrisk upp- och urladdning av kondensatorn. Annars skulle inte 50% dutycycle resultera i 50% ut-signal.
