Hej,
Har beställt ett par BLK-MD-SPK-B-moduler, för att göra mig ett eget bluetooth headest till telefonen. Ska bygga in det i en riktigt gammal telefon för att glädja min vintageinfluerade syster.
Modulen:
https://www.google.se/search?client=ope ... NBleUWvzok
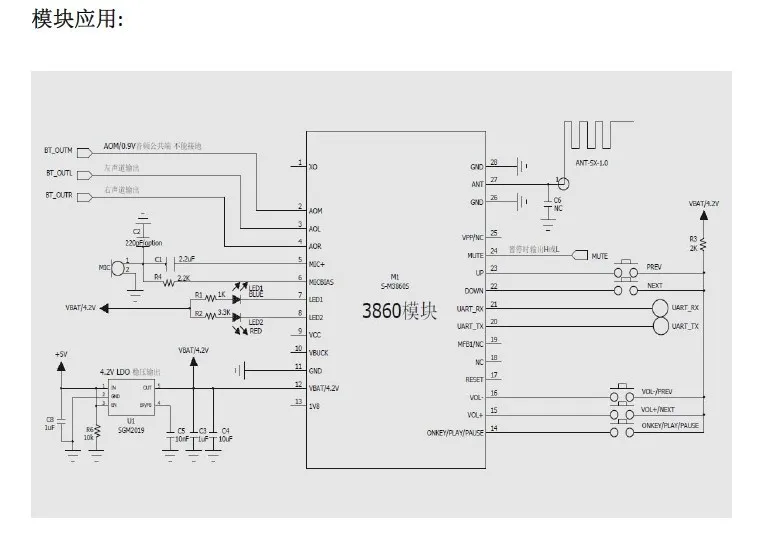
Det finns gott om exempel på högtalar-biten, hur det kopplas osv. OVC3860-chipet på kortet har inbyggd 40mW förstärkare.
Men när det gäller mikrofonen så är det värre. Är det någon som sitter på lite info om vad för slags mikrofon man kopplar in, samt om det finns något kopplingsschema att inspireras av för den?
BLK-MD-SPK-B har 2 pinnar för mic; MIC och VMIC.
BLK-MD-BC05 är en snarlik modul där jag har sett flera exempel på mic-kopplingen, men den består av 3 pinnar.
Anledningen till att jag vill ha den första modulen är att den har en äldre bluetoothversion, 2.0, där den andre stöttar 2.1. Den äldre tillåter auto-pairing vid power on, så det går mycket smidigare att svara i telefonen och batteriet sparas då det inte behövs ett standby-läge.
Tack
Erfarenhet av bluetooth transceiver BLK-MD-SPK-B OVC3860 ?
-
grilligill
- Inlägg: 4
- Blev medlem: 30 mars 2017, 19:19:31
-
grilligill
- Inlägg: 4
- Blev medlem: 30 mars 2017, 19:19:31
Re: Erfarenhet av bluetooth transceiver BLK-MD-SPK-B OVC3860
Ja! Tackar, och svaret kom efter några minuter.. Jag har letat i dagar.
Har du länken till sidan du hittade bilden på?
Har du länken till sidan du hittade bilden på?
Re: Erfarenhet av bluetooth transceiver BLK-MD-SPK-B OVC3860
Jag gjorde en bildsök på chipet ovc3860.

Re: Erfarenhet av bluetooth transceiver BLK-MD-SPK-B OVC3860 ?
Hej,
Jag väcker liv i den här tråden efter snart 4 år.
Jag är inne på samma spår och tänkte väcka liv i en gammal kobratelefon. Jag hittade samma modul här https://www.ebay.com/itm/232398954957?h ... R_ydyJmhXw och tänkte höra mig för om ni vet eller kan härleda om det finns chans att använda befintlig mikrofon och högtalare i kobran baserat på kopplingsschemat som ecenier delade med sig av?
Tack på förhand,
Med vänlig hälsning.
Jag väcker liv i den här tråden efter snart 4 år.
Jag är inne på samma spår och tänkte väcka liv i en gammal kobratelefon. Jag hittade samma modul här https://www.ebay.com/itm/232398954957?h ... R_ydyJmhXw och tänkte höra mig för om ni vet eller kan härleda om det finns chans att använda befintlig mikrofon och högtalare i kobran baserat på kopplingsschemat som ecenier delade med sig av?
Tack på förhand,
Med vänlig hälsning.

