Bygge av sändare, 30m QRSS Beacon

Berätta om dina pågående projekt.
haben12
Inlägg: 67
Blev medlem: 7 april 2017, 13:04:50

Bygge av sändare, 30m QRSS Beacon

Inlägg av haben12 »

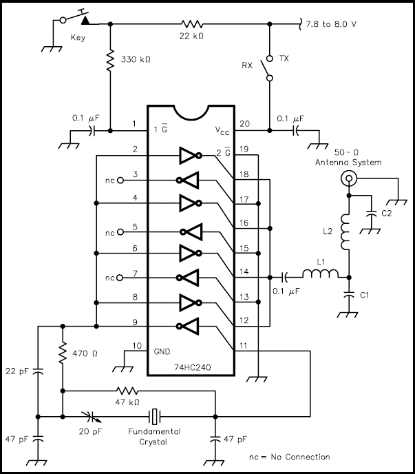
Jag tänkte bygga en radiosändare för 30m bandet, som sänder QRSS(väldigt långsam telegrafi), och har börjat att sätta ihop en sändare med en 74HCN240 inverterad 8-bit buffer som oscillator/förstärkare. Matad med 10V ger den ca 180mW uteffekt på 30m bandet. Signalen var verkligen inte vacker, så ett lågpassfilter med 2st T37-2 ferriter fick snygga till den lite. Sändarens design kommer förmodligen från en gammal ARRL artikel från början:

http://3.bp.blogspot.com/_tWcsnP09Wj8/T ... -N7KSB.png

Efter LP-filtret får jag knappt 100mW i en konstlast på 47ohm. Nu återstår framförallt styrningen av sändaren, en mikroprocessor kommer användas för att sköta nycklningen.

Sändaren:
Bild

Före LP-filter
Bild

Efter LP-filter
Bild
Användarvisningsbild
hcb
Moderator
Inlägg: 6047
Blev medlem: 23 februari 2007, 21:44:50
Skype: hcbecker
Ort: Lystrup / Uppsala
Kontakt:

Re: Bygge av sändare, 30m QRSS Beacon

Inlägg av hcb »

Intressant.
Har du möjlighet att mäta utsignalen med en spektrumanalysator? Den ser ju bra mycket snyggare ut men verkar ändå ha litet kanter.
haben12
Inlägg: 67
Blev medlem: 7 april 2017, 13:04:50

Re: Bygge av sändare, 30m QRSS Beacon

Inlägg av haben12 »

Jag har tyvärr inte tillgång till en spektrumanalysator, men det är roligt att se hur signalen förändras genom filtret. Nu är en Attiny programerad och monterad, styrningen verkar fungera som den ska.

Sändaren drar 120mA vid 10V, dvs 1,2W vid sändning. Uteffektn är 100mW så verkningsgraden hamnar på ca 8%.

Bild
slft
Inlägg: 494
Blev medlem: 9 oktober 2009, 10:45:21
Skype: sm6xwe
Ort: Tibro

Re: Bygge av sändare, 30m QRSS Beacon

Inlägg av slft »

du får gärna länka till hemsidan
då jag funderar på att bygga en liknande

//Ola
haben12
Inlägg: 67
Blev medlem: 7 april 2017, 13:04:50

Re: Bygge av sändare, 30m QRSS Beacon

Inlägg av haben12 »

Jag byggde efter ritningen på länken i första inlägget, men det finns många olika varianter på denna på andra ställen. Enda skillnaden mot ritningen är att jag använder en 74HCT240 istället för 74HC240. Denna drivs bäst med 10V, men blir varm. Jag har monterat den med CA-lim uppochned för att ge den kylning via laminatet. 74HC240 verkar åtminstone påstås kunna ge 500mW uteffekt med 8V drivning, vilket 74HCT240 inte ger.

Ett problem är att QRSS grabberna som är igång enbart tar in ett smalt spektrum av 30m bandet, min hamnade utanför eftersom den landade på 10 138,6kHz. Genom att sätta keramiska kondensatorer i serie med kristallen(som är på 10,140khz) så lyckades jag få den till följande:

22pf = 10 141,9kHz
47pf = 10 140,3kHz
57pf = 10 140,0kHz

Den sista verkar hamna mitt i QRSS bandet som tur är.
Användarvisningsbild
Mickecarlsson
EF Sponsor
Inlägg: 5306
Blev medlem: 15 april 2017, 18:06:15
Ort: Malmö
Kontakt:

Re: Bygge av sändare, 30m QRSS Beacon

Inlägg av Mickecarlsson »

Jag har byggt två av denna http://qrp-labs.com/ultimate3/u3s.html
Kostar strax under 500 med frakt.
Användarvisningsbild
mankan
EF Sponsor
Inlägg: 943
Blev medlem: 18 juli 2015, 11:23:22
Ort: Linköping

Re: Bygge av sändare, 30m QRSS Beacon

Inlägg av mankan »

Du ser ut att ha plats för ett litet PA-steg också, kanske ett liknande http://qrp-labs.com/images/qcx/assembly3_A4.pdf, se sidan 108. Mer info om klass E, http://www.norcalqrp.org/files/Class_E_Amplifiers.pdf
haben12
Inlägg: 67
Blev medlem: 7 april 2017, 13:04:50

Re: Bygge av sändare, 30m QRSS Beacon

Inlägg av haben12 »

Nu är sändaren igång och sänder, 100mW på 30m bandet. Jag har börjat med QRSS 10(10sekunder långa punkter). Med tanke på sin enkelhet är sändaren förvånansvärt frekvensstabil, den skiftar några Hz på oscillatorn när den går i sändning, men verkar ligga stabilt sedan.

Bild
Användarvisningsbild
hcb
Moderator
Inlägg: 6047
Blev medlem: 23 februari 2007, 21:44:50
Skype: hcbecker
Ort: Lystrup / Uppsala
Kontakt:

Re: Bygge av sändare, 30m QRSS Beacon

Inlägg av hcb »

:tumupp:
Sådant här gillar jag.
nifelheim
Den första
Inlägg: 2561
Blev medlem: 27 mars 2008, 22:31:16
Ort: stockholm

Re: Bygge av sändare, 30m QRSS Beacon

Inlägg av nifelheim »

hur mycket hörs den på 2.a eller 3.e övertonen?
har du inte FFT på skopet?
haben12
Inlägg: 67
Blev medlem: 7 april 2017, 13:04:50

Re: Bygge av sändare, 30m QRSS Beacon

Inlägg av haben12 »

Jag lyckades få igång FFT på mitt oscilloskop! Men jag har inte någon erfarenhet av det, är det någon som kan tolka något av "spektrumet"?

Effekterna är lite svårberäknade av spänningarna på mätningen eftersom jag matar en longwire med 1:4 unun som säkert har en helt annan impedans än 50ohm vid 30m

Bild
nifelheim
Den första
Inlägg: 2561
Blev medlem: 27 mars 2008, 22:31:16
Ort: stockholm

Re: Bygge av sändare, 30m QRSS Beacon

Inlägg av nifelheim »

2,50 MHz per ruta räknat från vänster där är 0MHz
din nytto signal runt 10 MHz till vänster i bild (fyra rutor från vänster)
en nästan lika stark signal mitt i bild på drygt 20MHz.

skruva in en mottagare på dubbla frekvensen och lyssna där?
haben12
Inlägg: 67
Blev medlem: 7 april 2017, 13:04:50

Re: Bygge av sändare, 30m QRSS Beacon

Inlägg av haben12 »

Det stämmer faktiskt, jag hittar samma signal på grovt räknat dubbla frekvensen. Men det är konstigt eftersom jag har ett lågpassfilter, ett 5.e ordningens chebychev-filter med 11MHz i cutoff frekvens. 20MHz ska vara dämpad med 30dB. 30dB borde inte det innebära att ca 0,1% av signalen på 20MHz kommer igenom?

Bild
kodar-holger
EF Sponsor
Inlägg: 987
Blev medlem: 26 maj 2014, 12:54:35
Ort: Karlskoga

Re: Bygge av sändare, 30m QRSS Beacon

Inlägg av kodar-holger »

Jag ser inte om du har några trimrar i ditt bygge. Annars tvivlar jag på att du kan åstadkomma de värden du hade i din filter-plot. 331.9p finns inte i mitt sortimentskåp iaf. :shock:

Sen vet du inte heller vilken utimpedans själva oscillatorn har. Det är osannolikt att den är 50 Ohm. Du vet heller inte lastens impedans. Högst osannolikt 50Ohm och troligen inte ens resistiv.

Körde dina värden i ltspice med lite montecarlo på värdena.
filter_mc.png
Worst case kom den till knappt 20dB och det undrar jag om det ändå inte är optimistiskt.

Sen är ju mottagare gjorda för att ta emot signaler med hemskt olika amplitud. 30dB må var 0.1% i effekt men är ändå bara några få S-enheter på mottagaren.

Edit:
Sätter man in 1Ohm serieresistans i vardera spolen är man nere på 10dB dämpning vid 20MHz.
Du har inte behörighet att öppna de filer som bifogats till detta inlägg.
haben12
Inlägg: 67
Blev medlem: 7 april 2017, 13:04:50

Re: Bygge av sändare, 30m QRSS Beacon

Inlägg av haben12 »

Jag använde de värdena jag hittade närmst bland kondensatorerna, och lindade induktanserna så nära det gick, så det är säkert anledningen till att det sticker upp en signal på 20MHz. Ska lägga på minnet att skaffa några trimkondensatorer till nästa gång, borde gå smidigt att trimma in samtidigt som man tittar på oscilloskopet i FTI vyn.

För att skapa lite utrymme flyttade jag runt några komponenter på brädan, och monterade två lysdioder. Röd = spänning och Grön = sändning. Den ena strömbrytaren gör att man kan välja mellan QRSS 3 och QRSS 10.

Programmet är fortfarande litet, 389bytes. Det är fortfarande gott om utrymme kvar i Attiny45(45kb programminne)

Bild
Skriv svar