Bygga egen PA-Förstärkare

Elektronikrelaterade (på komponentnivå) frågor och funderingar.
Användarvisningsbild
sky_eye
Inlägg: 244
Blev medlem: 11 april 2006, 09:29:12
Ort: Lapplands Väsby
Kontakt:

Re: Bygga egen PA-Förstärkare

Inlägg av sky_eye »

Det sägs mycket...
Vad är "Riktga Watt"?
Användarvisningsbild
Electricguy
Inlägg: 12534
Blev medlem: 15 augusti 2007, 16:52:14
Ort: Kälmä' typ..

Re: Bygga egen PA-Förstärkare

Inlägg av Electricguy »

Riktiga Watt för rörsteg är väl exakt samma sorts riktiga Watt som i transistorsteg. Visst, det finns kinawatt också som påstår att man kan få ut 14Kw ur en TDA2020 :mrgreen: men de e ju ren bullshit. Och jag tror inte att PA steg och andra bättre slutsteg är märkta med kineswatt.
J10
Inlägg: 531
Blev medlem: 6 december 2004, 15:25:30

Re: Bygga egen PA-Förstärkare

Inlägg av J10 »

Högt ljud är bra. Och för att uppnå lagom ljudnivå krävs känsliga högtalare OCH hög effekt. Går inte med bara en av dessa ingredienser.

Bästa stunderna i livet är när man stoppar i öronpropparna och kryper ihop under en varm filt intill högtalaren med så hög musik man kan uppbringa. Helst lutad mot gallret.

Vissa säger att allt över 20W är slöseri med energi... jag säger att slöseri på energi det är när man måste andas och ha ett hjärta som pumpar blod. Det ska högtalarna göra åt en.

Så jag säger go for it!
Användarvisningsbild
MNorrgren
Inlägg: 6006
Blev medlem: 27 maj 2005, 16:09:10
Ort: Sjöbo, Skåne

Re: Bygga egen PA-Förstärkare

Inlägg av MNorrgren »

Allt över 20 watt är slöseri.... Det kan väl stämma till viss del. Men verkligen inte i PA-sammanhang. I ett hemmasystem med bra högtalare och bra förstärkare så ja, då är 20 watt mycket. Men, för att tjata och som J10 säger när det kommer till stora grejor så krävs det lite mer effekt än så. Den som hävdar att ett par 18" subbasar á 1,2 kW / st kan drivas av 20 watt är nog ute och cyklar ganska så skapligt.... Det är inte av en anledning till att alla PA-steg som säljs är mycket kraftiga med möjlighet till enorma effektuttag. Menar, ska man spela för 500 personer på en yta av några hundra m2 så räcker det inte med de där 20 watt.

Så tycker trådskaparen gör helt rätt i att köra så kraftigt han kan. Men tyvärr är det nog orimligt dyrt att bygga själv jämfört med resultaten och vad som finns att köpa.
Användarvisningsbild
Electricguy
Inlägg: 12534
Blev medlem: 15 augusti 2007, 16:52:14
Ort: Kälmä' typ..

Re: Bygga egen PA-Förstärkare

Inlägg av Electricguy »

Jo de där att driva kraftiga stora högtalare med låg effekt är ju lite avigt! För stora högtalare flyttar mycket luft. och är det mycket luft som ska flyttas så ger det ju ganska så mycke motstånd. så ska man få nåt som helst tryckt i det så måste det till mycke effekt.
kim.andersson
Inlägg: 46
Blev medlem: 3 februari 2011, 22:13:21

Re: Bygga egen PA-Förstärkare

Inlägg av kim.andersson »

Att de behövs mycket effekt de är ju klart, basarna ska ju ha 800wrms. vi spelar mycket på klubbar med liknande högtalare och då går de inte med 200w, vi har både Behringer och synq steg som ger runt 800 wrms och mer och dom stegen fungerar bra
därmot har vi ett rigtigt kvalitets steg som ger 625 wrms per kanal i 8 ohm, som inte rigtigt klarar av att driva dem fult ut.

Men anledningen till att jag vill bygga ett är bara för att de vore kul att prova och se om de blir bra, så de spelar ingen roll om de blir dyrare än att köpa ett.
så är de nån som har nå tips på nå bra scheman?


//Kim
Tekko
Inlägg: 9009
Blev medlem: 28 november 2004, 20:19:15

Re: Bygga egen PA-Förstärkare

Inlägg av Tekko »

Rod Elliott har ett schema på ett 1kW steg, men läs va han skriver om höga effekter. Han säger "insanity can be yours"
kim.andersson
Inlägg: 46
Blev medlem: 3 februari 2011, 22:13:21

Re: Bygga egen PA-Förstärkare

Inlägg av kim.andersson »

okej! hur får man tag i han då?
Användarvisningsbild
MNorrgren
Inlägg: 6006
Blev medlem: 27 maj 2005, 16:09:10
Ort: Sjöbo, Skåne

Re: Bygga egen PA-Förstärkare

Inlägg av MNorrgren »

Användarvisningsbild
Electricguy
Inlägg: 12534
Blev medlem: 15 augusti 2007, 16:52:14
Ort: Kälmä' typ..

Re: Bygga egen PA-Förstärkare

Inlägg av Electricguy »

Detta är rent av jävla livsfarligt! men ett enkelt steg som ger ca 2,5kW per kanal. men inte så värst remokmmenderat att bygga.
http://schemecircuit.com/wp-content/upl ... lifier.jpg
Tekko
Inlägg: 9009
Blev medlem: 28 november 2004, 20:19:15

Re: Bygga egen PA-Förstärkare

Inlägg av Tekko »

Ska man bygga själv bör man hålla sej under 300 watt, bara mitt steg på 200W har 2x50V så redan där e rail to rail spänningen tillräcklig för att döda om man skulle få för sej att ta tag i matningarna.

Över 300W, köp ett färdigt steg, ditt liv är inte värt att bygga själv.
Användarvisningsbild
grym
EF Sponsor
Inlägg: 17787
Blev medlem: 16 november 2003, 12:22:57
Ort: i det mörka småland

Re: Bygga egen PA-Förstärkare

Inlägg av grym »

det där med att stora högtalare behöver ha stora förstärkare är bs

hadde kul förr när jag hadde mina 18" horn
dom hadde en verkningsgrad runt 107-109

körde dom ju på bryggkopplade cresendosteg

men när folk gormade över att man måste ha stora steg så kopplade jag på en på min gamle portabla bandspelare, föregångaren till bergsprängaren, med 1w i utgångs effekt

och då förstår man skillnaden i verkningsgrad
det går bra eller mycket bra att körastora högtalare med bra verkningsgrad med små förstärkare

till ämnet

att bygga kan man göra av flera skäl, för att det är kul och man vill lära sig
eller kanske att göra det billigare, vilket kan gå om man har det mesta liggandes
om man ska köpa allt så lär det bli 10-20x dyrare
kanske man vill ha special på något sätt

jag hadde inte tvekat att bygga i fler kw klass om det skulle behövas
Mindmapper
Inlägg: 7231
Blev medlem: 31 augusti 2006, 16:42:43
Ort: Jamtland

Re: Bygga egen PA-Förstärkare

Inlägg av Mindmapper »

Kan det vara något sånt här du är ute efter?

http://shop.41hz.com/shop/item.asp?catid=38&itemid=4
Användarvisningsbild
4kTRB
Inlägg: 21629
Blev medlem: 16 augusti 2009, 19:04:48

Re: Bygga egen PA-Förstärkare

Inlägg av 4kTRB »

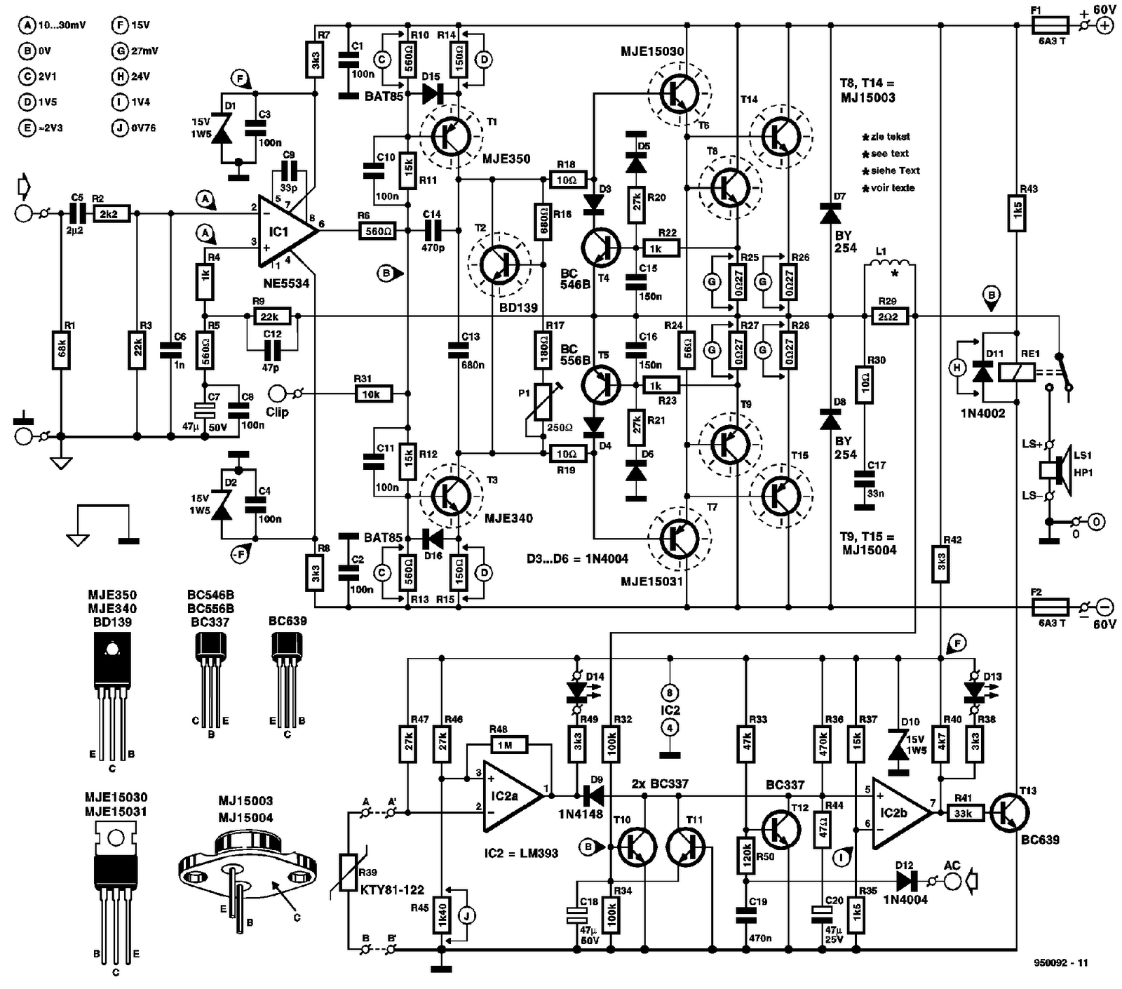
Elektor har haft en del PA-förstärkarbyggen. Till exempel den här från 1995.

http://hifi-amp.blogspot.com/2009/07/pa ... 11995.htmlBild
Användarvisningsbild
anlamotte
Inlägg: 859
Blev medlem: 5 augusti 2003, 15:54:34
Ort: Stockholm
Kontakt:

Re: Bygga egen PA-Förstärkare

Inlägg av anlamotte »

Denna är på 1kw, också från elektor, minns inte vilket nummer.
Du har inte behörighet att öppna de filer som bifogats till detta inlägg.
Skriv svar