Rörbyggarskola
Avsikten med den här skolan är att på ett så enkelt sätt som möjligt beskriva hur elektronrör och dito förstärkare fungerar.
Rörets fysikaliska funktion
Den vanligaste rörtypen i audio-sammanhang, oavsett om det är effektkopplingar eller förförstärkarkopplingar, är den så kallade trioden svwp: Trioden.
Den har alltså tre elektroder och där två av dom, anod och katod, motsvarar så att säga diodfunktionen i kopplingen enligt svwp: Child-Langmuirs lag.
Att det över huvudtaget kan flyta en elektronström mellan katod och anod har att göra med den termiska emissionen svwp: Termisk emission hos den uppvärmda katoden som får elektroner att bokstavligt talat bubbla utanför katoden varvid man kan lägga på ett elektriskt fält på anoden för att få en ström.
Genom att införa ett så kallat galler mellan anod och katod kan man styra denna anodström enligt bestämda lagar delvis härledda enligt ovan. Det viktiga är att strömmen vid varje negativ gallerspänning är en funktion av anodspänningen upphöjt till 3/2.
Mellan gallret och anoden får man alltså en förstärkning. Denna förstärkning kallas µ (eller my) som alltså innebär att för en viss inspänning in får man en viss spänning ut. My förutsätter en oändlig lastresistans. Men µ kan också härledas av transkonduktansen (dvs gm eller volt in för ampere ut vid en viss arbetspunkt) multiplicerat med den dynamiska resistansen i arbetspunkten, rp.
Rörets småsignalmodell
Rörens småsignalmodell är mycket lik svwp: Signalförstärkning medels FET-transistor
Det är bara benämningen av delarna som skiljer en MOSFET-modell från en rörmodell.
När ni klickar på länken ovan torde ni förstå den lilla skillnaden.
Bygge med rör
Oftast när man bygger rörförstärkare bygger man med avseende på så kallad gemensam katod-steg (CK). Dvs man vill förstärka spänning så mycket det går.
Det allmänna uttrycket för spänningsförstärkning hos ett CK-steg är
Detta visas mer än tydligt i länken ovan.
Det mest intressanta kan vara minus-tecknet dvs att det vänder fasen 180 grader.
Så om man vill förstärka en MM-pickups signal så kan man koppla två CK-steg i kaskad med RIAA-filtret mitt emellan.
När man kopplar dom i kaskad kan man nämligen multiplicera varje stegs förstärkning.
Och om förstärkningen inte riktigt räcker så kan man avkoppla Rk med en kondensator varvid uttrycket för relevanta frekvenser blir:
Biasering av rör
Bilden till höger visar hur man så att säga biaserar ett rör/triod.
Med biasering menas hur man försätter röret i arbetspunkt dvs hur man får det att kunna ta hand om inkommande signal utan att förvränga det.
Imax och Umax reflekterar vad som händer när man belastar röret. Du har alltså en maxspänning, Umax, som du planerar lägga över röret. Men du förstår att du vill lägga det via ett anodmotstånd (katodmotståndet är så litet så vi bryr oss inte om det). Så lastlinjen kallad RL i bifogad bild visar hur röret kommer arbeta. Maximal ström, Imax, uppnås naturligtvis bara teoretiskt och är lika med Umax genom anodmotståndet i det här fallet kallad RL.
På detta vis har vi alltså en så kallad lastlinje för röret och dess arbetspunkt.
Med arbetspunkt menas den ström, Iaq, och spänning, Uaq, som röret kommer börja arbeta med.
Arbetspunkten fås av den ström vi önskar skall gå samtidigt som vi vill ha en viss spänningsmässig marginal innan Ug=0 och därmed att röret klipper. Allt följer lastlinjen RL enligt ovan.
När vi nu försatt röret i arbetspunkt kan det arbeta så gott det vill.
Jag har tidigare angivit ekvationerna för den faktiska spänningsförstärkningen (som i stor grad är beroende av arbetspunkten).
Dynamisk representation av förstärkning
Till höger visas hur en triod kopplad i normal så kallad CK-koppling förstärker inkommande signal.
Insignalen pendlar alltså runt bias (Ugq) och röret genererar sen en förstärkt men inverterad utsignal (Av*Uin).
Om lasten (RL) hade varit oändlig hade vi fått förstärkningsfaktorn, µ, som förstärkning.
Det är bara att lägga linjalen horisontellt över ett anoddiagram och avläsa hur många gånger större svinget på utgången är relativt ingången så fås µ.
En annan viktig parameter hos rör är deras så kallad transkonduktans dvs hur många mA man får ut vid si och så många volt in. Här är det bara att lägga linjalen vertikalt (vilket representerar RL=0).
Transkonduktansens avtagande med tiden brukar vara ett mått på hur bra röret mår.
Lägger man linjalen i linje med kurvan vid vald arbetspunkt och dividerar antalet volt med antalet mA så får man den så kallade dynamiska anodresistansen, rp. gm*rp är sedan samma som µ.
Utsignalen nedan är något överstyrd av insignalen. Detta är möjligt om drivande krets är lågimpediv och kan driva ström in i gallret som alltså börjar leda ström likt en diod när inspänningen dynamiskt överstiger 0V.
Rör i praktiken
När vi biserar ett rör för (spännings)förstärkning använder vi oss av schemat till höger.
Röret i schemat är så kallat automatbiaserat dvs ett litet katodmotstånd (Rk) ser till så att röret är negativt biaserat. Detta förutsätter dock att gallermotståndet (Rg) inte är för stort (<1M normalt).
Det är lite knöligt att välja Rk men har man tillgång till anoddiagrammet och känner lasten så kan man pricka in vad man vill ha. Det är liksom bara att välja minsta möjliga marginal till Ugk=0 (för högst förstärkning utan avkoppling av Rk) samt dividera den gallerspänningen med vald ström på lastlinjen.
Ett dilemma i verkligheten är att utgångsimpedansen i sådana här steg är rätt högt. Det får till följd att höga frekvenser blir svåra att förstärka om man inte tar speciell hänsyn till detta.
Gränsfrekvensen för ett steg (belastat med en kapacitans, C, som alltid mer eller mindre finns typ exempelvis i kablar) är:
där Zo är den drivande impedansen.
Denna gränsfrekvens blir snabbt låg om Zo är hög.
Det finns flera sätt att komma runt detta. Ett är att använda en katodföljare direkt efter CK-steget. Man kan också nyttja så små motstånd som möjligt för att på så sätt få ner impedansen.
Impedansen Za' i nedanstående figur är impedansen före parallellandet av Ra. Den blir:
Där Rk normalt, men inte alltid, avkopplas och därmed kan sättas till noll (för relevanta frekvenser). Impedansen blir dock ändå stor (rp).
Impedansen Zk' är på samma sätt och före parallellandet av Rk:
Vilket, om µ>>1 och Ra<<rp, kan skrivas:
där gm som sagt är transkonduktansen hos röret.
Om Ra=0 och man tar ut signalen på katoden har man en katodföljare där förstärkningen mer eller mindre alltid är mycket nära ett. Vi får då också som ni förstår samtidigt en mycket låg utgångsimpedans.
Slutsteg
I det här avsnittet avses försök att förklara hur man kan koppla rör för att få ut effekt i högtalare.
Single-End
För att få ut effekt i en högtalare krävs att man matchar rörets dynamiska resistans med högtalarens. Detta kan man göra på många olika sätt men bäst är om man låter högtalarens (nominella) reflekterade impedans vara lika med dubbla rörets impedans, rp. På det sättet får man nämligen ut maximal effekt eller verkningsgrad.
För att kunna koppla en högtalare till ett rör på detta viset krävs dock en transformator (TR1). Denna transformator är inte trivial i sin uppbyggnad även om reflekterad impedans betyder varvtalsförhållandet i kvadrat. Det finns mycket mer att tänka på. Intresserade kan studera: enbook: OPT Design
Single-End konstruktioner är intressanta men dom har framförallt nackdelen att dom är mycket ineffektiva.
Push-Pull
Lösningen på ovanstående ineffektivitet kan vara så kallad Push-Pull koppling. Med hjälp av denna lösning kan man nämligen dubbla uteffekten med väldigt få extra komponenter förutom att man då naturligtvis behöver ett rör till. Vinsten stannar dock inte där utan kraven på både transformatorn och regleringen av spänningen blir mycket mindre. Spänningen kan teoretiskt vara väldigt oreglererad då Push-Pull bara förstärker skillnadssignaler. Transformatorn behöver i ovanstående fall kunna hantera en hel del DC då arbetspunkten kräver det. I praktiken innebär det att transformatorn måste innehålla ett så kallat luftgap. Men i fallet Push-Pull behöver den inte det eftersom rörens motriktade DC förhindrar magnetisering av transformatorn. Den behöver bara ha två primära lindningar splittade på mitten. Och kunna hantera spänningen vid vald frekvens.
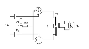
Phase-Splitter
Bilden till höger visar en välkänd phase-splitter. Den fungerar på så sätt att signalen som kommer in på andra rörets galler förstärks lika mycket positivt som negativt. Och det till katoden respektive anoden. Det viktiga är att förstärkningarna är lika stora och 180 grader ur fas. I praktiken är den differentiella förstärkningen från galler till anod och katod väldigt nära två.
En solid PP-design som Williamson-förstärkaren har många fördelar. Och när det kommer till brum så kan en välbalanserad (Klass A) PP-design göras väldigt oberoende av matningsrippel. Detta beror på att bara skillnadsspänningar förstärks från phase-splitter'n. Så bara om brummet är större hos typ anoden än det är vid katoden så kommer det höras i högtalarna. Detta förutsätter dock att slutrören är väl dynamiskt matchade.
Så låt oss titta på möjligheten att kanske cancellera nätbrummet fullständigt!
Beakta reaktansen Xc hos kondensatorerna (C) och att de är mycket mindre än Ra1 eller Ra2 (väldigt sant i praktiken). Notera t.ex att 33uF@100Hz innebär 50 Ohm.
Då har vi:
Om nu Xc1=Xc2 och kondensatorerna är hyfsat stora så spelar det ingen roll hur stora de är. De försvinner från ekvationerna!
Själva ripplet (Ur) försvinner också. Vilket betyder att ripplet kan vara "hur stort som helst"!
Xc1=Xc2=>
Och pga Zk'<< Za'=>
Och pga Ava och Avk är väldigt nära ett =>
Och pga att Za' för denna typ av phase-splitter är väldigt nära Ztot' =>
Slutligen, låt oss kalkylera Ra1 för Williamson-förstärkaren's phase-splitter:
Ra2=22k
Za1=rp+(u+1)Rk=7k+21*470=17k
Ztot1=Za1+Ra=17k+47k=64k
Insättning i ovanstående ekvation ger:
Ra1=11,7k=12k (notera att originalvärdet är 33k).
Så om man använder detta värde kommer man alltså reducera brummet till att endast härröra från eventuell AC-uppvärmning av rören (50Hz)!
Förstärkning och utgångsimpedanser
Dessa ekvationer visar att förstärkningen till anoden (Ava) respektive katoden (Avk) är exakt lika. Detta är inte så konstigt för obelastad måste samma ström som går genom Ra gå genom Rk.
För att upprätthålla denna fina egenskap krävs dock att anoden och katoden belastas lika.
Anodimpedansen är ganska stor (21k) medans katodimpedansen är ganska liten (1,3k).
Om detta steg skulle driva ett PP-slutsteg direkt skulle vi således behöva justera utgångsimpedanserna (pga att utgångsrörens gallerresistanser oftast är av storleksordningen 100k vilket därmed skulle belasta anodkretsen mer än katodkretsen).
Men detta är inget problem för vi kan enkelt införa ett 19,7k motstånd på katod-utgången. Därmed får vi en phase-splitter med ren DM-förstärkning och samma impedans ut från båda benen. Som alltså kan belastas godtyckligt.
Slutstegsanalys
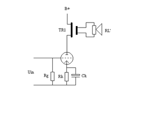
Till höger finns en skiss på hur ett rör kan fungera som effektförstärkare.
Röret matas med en rå högspänning, B+, och biaseras automatiskt mha ett katodmotstånd, Rk.
Om kopparförlusterna i TR1 försummas blir i det här statiska fallet RL=Rk.
I det dynamiska fallet, dvs då signal appliceras, blir dock RL lika med n^2 gånger högtalarens impedans.
När Ugk sammanfaller med Ua-B+ uppnås jamvikt och en stationär ström, Iq, flyter.
Eftersom spänningen i detta fallet är mycket hög så fås en hög effektförlust över röret, Pa.
Som ni kan se av den lilla triangelns storlek jämfört med rektangels så är dock inte effektiviteten den bästa (teoretiskt som bäst 32%, tror jag).
Jag har dock misslyckats med att bisera röret optimalt dvs triangeln hade inte behövt vara så liten då det finns marginaler uppåt i spänning.
Men om man bortser från det så kan man beräkna uteffekten hos ett Klass A rörslutsteg enligt följande:
Dvs arean av triangeln.


